Rev Up Your Ride: Unveiling the 2006 C4500 Wiring Diagram!

Rev Up Your Ride: Unveiling the 2006 C4500 Wiring Diagram!

Unlock the road to seamless repairs with the 2006 C4500 wiring diagram. Master the intricacies, troubleshoot with precision, and elevate your automotive expertise effortlessly.

Hey gearheads, ever found yourself in a wrenching puzzle with your 2006 C4500? Fret not, because today we're delving deep into the intricate world of the C4500 wiring diagram. Picture this: you're itching to hit the road, but your ride has other plans, leaving you scratching your head. Well, fear not, fellow enthusiasts, as we embark on a journey to demystify the hidden secrets concealed within the wires and circuits. Buckle up, because by the end of this exploration, you'll be armed with the knowledge encapsulated in the C4500 wiring diagram, ready to conquer any electrical enigma that comes your way. So, let's rev up those engines and unravel the mysteries beneath the hood!

Top 10 important point for '2006 C4500 Wiring Diagram'

  1. Getting to Know Your C4500 Wires
  2. Understanding Circuit Basics
  3. Locating Key Components
  4. Deciphering Color Codes
  5. Common Wiring Issues Explained
  6. Tools for a Smooth Diagnosis
  7. Step-by-Step Troubleshooting Guide
  8. Essential Safety Measures
  9. DIY Fixes for Beginners
  10. Pro Tips for Advanced Problem Solving

Several Facts that you should know about '2006 C4500 Wiring Diagram'.

Decoding the Essentials

Decoding the Essentials

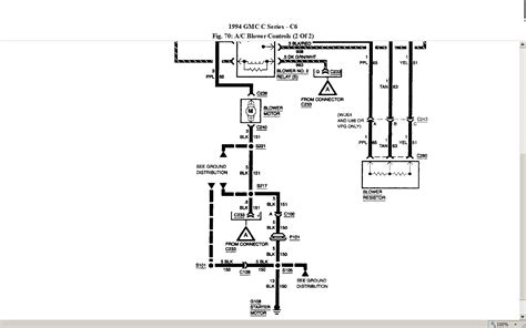
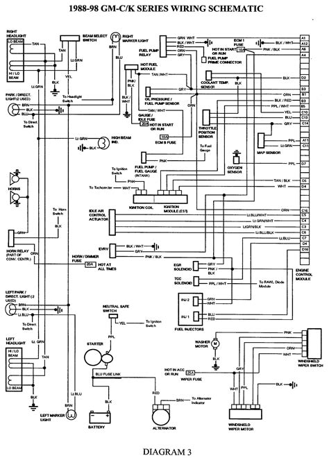
Welcome to the heart of automotive intricacy - the 2006 C4500 wiring diagram. In this comprehensive guide, we'll unravel the crucial elements, providing a roadmap for both novice and seasoned mechanics.

Mapping Your Wires

Mapping Your Wires

Embark on a journey through the labyrinth of wires that power your C4500. This section explores the layout, color codes, and functions, offering a visual guide to streamline your diagnostic process.

Spotlight on Circuit Basics

Spotlight on Circuit Basics

Get acquainted with the fundamental building blocks of your vehicle's electrical system. Understanding circuit basics is pivotal for troubleshooting and resolving issues efficiently.

Identifying Key Components

Identifying Key Components

This section sheds light on the essential components connected through the wiring diagram. Knowing where to find them is the first step in tackling any electrical challenge.

Troubleshooting Demystified

Troubleshooting Demystified

Unravel the mysteries of common wiring issues with our step-by-step troubleshooting guide. Equip yourself with the knowledge to diagnose and address problems like a seasoned professional.

Tools of the Trade

Tools of the Trade

Explore the must-have tools for navigating the intricate landscape of your C4500's wiring. Having the right equipment on hand is crucial for an efficient and accurate diagnosis.

Safety First

Safety First

Before diving into the wires, prioritize safety. This section outlines essential safety measures to ensure you approach your vehicle's electrical system with confidence and caution.

DIY Fixes for Beginners

DIY Fixes for Beginners

For the DIY enthusiasts, discover straightforward fixes that even beginners can tackle. Save time and money by learning how to address common wiring issues on your own.

Pro Tips for Advanced Problem Solving

Pro Tips for Advanced Problem Solving

For those seeking a deeper understanding, this section provides pro tips for advanced problem-solving. Elevate your diagnostic skills and become the go-to person for intricate electrical issues.

Demystifying the 2006 C4500 Wiring Diagram

Alright, fellow gearheads, gather around as we embark on an exploration into the intricate web of wires that powers the 2006 C4500. Whether you're a seasoned mechanic or a DIY enthusiast, understanding the nuances of the wiring diagram is the key to unlocking the full potential of your vehicle. So, let's rev up our engines and dive deep into the heart of automotive electrical systems!

Understanding the Blueprint

Understanding the Blueprint

First things first – what exactly is a wiring diagram? Think of it as the intricate blueprint of your C4500's nervous system. This visual representation maps out the electrical connections, color codes, and components that make your vehicle tick. It's like having a treasure map for the inner workings of your ride.

Imagine you're embarking on a cross-country road trip. You wouldn't set off without a map, right? The same principle applies to understanding your vehicle's wiring diagram. It's the roadmap that guides you through the complexities, ensuring you reach your destination – a fully functional and problem-free ride.

Navigating the Wire Maze

Navigating the Wire Maze

Now, let's navigate through the wire maze. Each wire serves a specific purpose, much like the veins and arteries in our bodies. The color-coded scheme is not just for aesthetics; it's a language that communicates vital information about the function of each wire.

For example, a red wire might carry power from the battery, while a blue one could be responsible for lighting. Understanding this language is the first step in troubleshooting issues and performing modifications. It's like deciphering a secret code that opens the door to a world of possibilities.

The Heart of the System

The Heart of the System

Now, let's get to the heart of the matter – the crucial components connected through the wiring diagram. This includes everything from the ignition system to the lights, sensors, and more. Understanding how these components interact is key to diagnosing and solving electrical issues.

Think of it as a puzzle where each piece plays a vital role. If one piece is out of place or malfunctioning, it affects the entire picture. The wiring diagram allows us to trace the connections, pinpoint the problematic areas, and restore the harmony of the system.

Troubleshooting 101

Troubleshooting 101

Now, let's talk troubleshooting. Every vehicle owner's nightmare is encountering an electrical issue that seems as elusive as Bigfoot. Fear not – armed with the knowledge from the wiring diagram, you can approach troubleshooting with confidence.

Imagine you're a detective solving a case. The wiring diagram is your case file, providing clues and insights into the mysterious disappearance of functionality. With a systematic approach, you can trace the issue back to its source and implement a fix with precision.

Tools of the Trade

Tools of the Trade

Every craftsman needs the right tools for the job, and tackling the 2006 C4500 wiring diagram is no exception. In this section, we'll explore the essential tools that make the diagnostic process smoother than a freshly paved highway.

From multimeters to wire strippers, having the right tools in your arsenal ensures accuracy and efficiency. It's like having a trusty sidekick on your journey through the intricate landscape of wires and circuits.

Safety First, Always

Safety First, Always

Before we go any further, let's talk about safety. Working with electrical systems requires a cautious approach. In this section, we'll outline essential safety measures to ensure you navigate the world of wires without any shocks – both literally and figuratively.

Think of it as strapping on your seatbelt before a thrilling ride. Safety measures are the seatbelt of the automotive DIY world, protecting you from unexpected jolts and ensuring a smooth journey.

DIY Fixes for the Weekend Warrior

DIY Fixes for the Weekend Warrior

Now, let's shift gears to the DIY realm. You don't need to be a certified mechanic to tackle some common wiring issues. In this section, we'll explore DIY fixes that even the weekend warrior can execute with confidence.

Imagine the satisfaction of resolving an electrical hiccup on your own – it's like crossing the finish line of a DIY marathon. We'll provide simple yet effective solutions that empower you to take control of your C4500's well-being.

Pro Tips for Advanced Enthusiasts

Pro Tips for Advanced Enthusiasts

For the enthusiasts hungry for more knowledge, this section is for you. We'll share pro tips for advanced problem-solving, elevating your understanding of the 2006 C4500 wiring diagram to the next level.

It's like upgrading from a learner's permit to a professional driver's license. With these insights, you'll navigate the complexities of your vehicle's electrical system like a seasoned racer taking on a challenging track.

Conclusion: Empowering You on the Road Ahead

And there you have it – a comprehensive journey through the 2006 C4500 wiring diagram. We've covered the basics, navigated the wire maze, explored essential components, and delved into troubleshooting and DIY fixes. Whether you're a beginner or an advanced enthusiast, this knowledge empowers you to tackle electrical challenges head-on.

Think of the wiring diagram as your trusted companion on the road ahead.

Another point of view about '2006 C4500 Wiring Diagram'.

1. Picture this: the 2006 C4500 wiring diagram is your backstage pass to the electrifying symphony of your vehicle's inner workings. It's not just a diagram; it's a portal to automotive enlightenment.

2. Every wire is like a musical note, playing its part in the grand composition of your ride. The color-coded scheme? It's the vibrant palette that brings harmony to this mechanical orchestra.

3. If your vehicle were a blockbuster movie, the wiring diagram would be the script – guiding every twist and turn in the plot. It's the narrative that transforms a bunch of wires into a compelling storyline.

4. Think of troubleshooting as your quest for the Holy Grail. Armed with the 2006 C4500 wiring diagram, you're not just fixing issues; you're embarking on an epic journey, solving mysteries like a modern-day automotive detective.

5. Tools of the trade? They're not just wrenches and meters; they're the magic wands that turn you into a wizard of wires, casting spells to bring your vehicle back to life.

6. Safety measures are like the superhero cape in this adventure. They don't just shield you; they transform you into a fearless crusader, navigating the electrical realm with confidence.

7. DIY fixes for the weekend warrior are the plot twists in your automotive saga. Who needs a script when you can improvise and create your own thrilling narrative of triumph over electrical challenges?

8. Pro tips for advanced enthusiasts are the secret scrolls passed down from the automotive gods. They elevate you from a mere mortal to a deity of the garage, orchestrating the symphony of wires with unparalleled finesse.

9. In conclusion, the 2006 C4500 wiring diagram isn't just a document; it's the magical parchment that unfolds the story of your vehicle. It's the map, the script, and the spellbook that transforms your automotive journey into an unforgettable adventure.

10. So, next time you dive into the world of wires, remember – you're not just deciphering diagrams; you're unraveling the enchanting tale of your four-wheeled companion.

Conclusion : Rev Up Your Ride: Unveiling the 2006 C4500 Wiring Diagram!.

As we wrap up our exploration into the intricate landscape of the 2006 C4500 wiring diagram, it's clear that this document is not just a technical roadmap but a key to unlocking the mysteries beneath your vehicle's hood. With every wire serving as a thread in the rich tapestry of your automotive experience, understanding the nuances of this wiring diagram becomes paramount. It's akin to possessing the decoder ring to an automotive language, allowing you to converse fluently with your vehicle's electrical system.

So, dear readers, armed with this newfound knowledge, you're not merely a driver; you're a conductor orchestrating the symphony of your vehicle's electrical components. The 2006 C4500 wiring diagram transforms the mundane into the extraordinary, offering you the ability to troubleshoot, repair, and modify with confidence. Embrace the power it bestows upon you, and let the journey through the wires be a testament to your mastery of automotive intricacies. As you navigate the roads ahead, may your understanding of the wiring diagram be the guiding star, ensuring a smooth and electrifying ride.

Question and answer Rev Up Your Ride: Unveiling the 2006 C4500 Wiring Diagram!

Questions & Answer :

People Also Ask About 2006 C4500 Wiring Diagram:

1. What is a wiring diagram?

  • Answer: A wiring diagram is a visual representation of the electrical connections within a vehicle. It outlines the paths of wires, color codes, and the interplay of various components, providing a comprehensive guide for understanding and troubleshooting the electrical system.

2. Why is the 2006 C4500 wiring diagram important?

  • Answer: The 2006 C4500 wiring diagram is crucial for deciphering the intricate network of wires in your vehicle. It serves as a blueprint, empowering you to troubleshoot issues, perform modifications, and understand the inner workings of your C4500 with precision.

3. How can I navigate through the wire maze?

  • Answer: Navigating the wire maze involves understanding the color-coded scheme and the function of each wire. The wiring diagram acts as your guide, helping you trace and comprehend the paths of the wires, making it easier to troubleshoot and perform maintenance.

4. What tools do I need to work with the 2006 C4500 wiring diagram?

  • Answer: Essential tools include a multimeter, wire strippers, and other diagnostic equipment. These tools are crucial for accurately assessing the electrical components outlined in the wiring diagram, ensuring a smooth diagnostic and repair process.

5. Can I perform DIY fixes with the help of the wiring diagram?

  • Answer: Absolutely! The 2006 C4500 wiring diagram empowers DIY enthusiasts to tackle common issues. With the diagram as your guide, you can confidently implement fixes, saving both time and money on basic electrical repairs.

6. Are there safety measures I should follow when working with the wiring diagram?

  • Answer: Yes, safety is paramount. Always disconnect the battery, use insulated tools, and follow recommended safety procedures outlined in the wiring diagram. These precautions ensure your well-being while navigating the electrical intricacies of your vehicle.

Keywords : '2006 C4500 Wiring Diagram'

0 komentar