Rev Up Your Ride: 2005 Harley Davidson Softail Wiring Diagram Unleashed!

Rev Up Your Ride: 2005 Harley Davidson Softail Wiring Diagram Unleashed!

"Unlock the mechanical brilliance of your 2005 Harley Davidson Softail with our expert wiring diagram. Gain insights that elevate your bike maintenance prowess."

In the intricate tapestry of motorcycle enthusiasts' world, unlocking the secrets of a 2005 Harley Davidson Softail wiring diagram is akin to delving into the heart of mechanical brilliance. Picture this: a roadmap of electrical intricacies, a backstage pass to your bike's hidden symphony. As a journalist navigating through the wires, we embark on a journey to demystify the code that powers the soul of your Harley. Brace yourself for an exposé that goes beyond the surface, revealing the untold narrative encoded within the veins of your two-wheeled companion.

Top 10 important point for 2005 HARLEY DAVIDSON SOFTAIL WIRING DIAGRAM

  1. Decoding the Bike's Secret Language
  2. Wires: More Than Just Tangled Confusion
  3. When Your Harley Goes Electric: A Comedy
  4. Unleashing the Spark: It's Shockingly Fun!
  5. Electrical Yoga for Your Softail
  6. Wire Whisperer Chronicles
  7. DIY: Detangling, not Tangoing
  8. The Shocking Truth Behind Softail Wiring
  9. Electricity: The Silent Comedian in Your Ride
  10. Wiring Diagrams: Because Manuals Need Laughs Too!

Several Facts that you should know about 2005 HARLEY DAVIDSON SOFTAIL WIRING DIAGRAM.

Understanding the Basics

Understanding the Basics

Embarking on the journey of comprehending the 2005 Harley Davidson Softail wiring diagram requires unraveling its fundamental elements. From deciphering color codes to identifying key components, let's delve into the foundation of your bike's electrical roadmap.

Mapping the Circuitry

Mapping the Circuitry

Explore the intricate paths that electricity weaves through your Softail's system. Understanding the circuitry is essential to troubleshoot issues effectively and enhance your overall riding experience. We'll guide you through the twists and turns of your Harley's electrical landscape.

Spotting Troublesome Nodes

Spotting Troublesome Nodes

Identifying problematic nodes is crucial for maintaining a smooth ride. Learn to spot potential issues in the wiring diagram, from frayed wires to faulty connections. Armed with this knowledge, you'll be equipped to address problems before they escalate.

DIY Maintenance and Repairs

DIY Maintenance and Repairs

Empower yourself with the skills to perform basic maintenance and repairs on your Softail's wiring system. We'll guide you through common fixes and tweaks, fostering a sense of self-reliance that every Harley owner can appreciate.

Upgrading Your Softail's Electrics

Upgrading Your Softail's Electrics

Ready to take your Softail's electrical system to the next level? Discover tips and tricks for upgrading various components, from enhancing lighting systems to integrating modern gadgets. Unleash the full potential of your Harley with personalized electrical enhancements.

Safety Measures and Best Practices

Safety Measures and Best Practices

Delve into safety measures and best practices to ensure a secure wiring environment for your Softail. From proper insulation techniques to handling tools, we'll guide you through the essential precautions that every DIY enthusiast should know.

Advanced Troubleshooting Techniques

Advanced Troubleshooting Techniques

Ready to tackle more complex issues? Explore advanced troubleshooting techniques that go beyond the basics. With detailed insights, you'll be equipped to diagnose and resolve intricate problems, elevating your mastery of Softail wiring.

Community Insights and Resources

Community Insights and Resources

Connect with a community of Harley enthusiasts to exchange insights and resources related to Softail wiring. Whether you seek advice or wish to share your experiences, the collaborative knowledge of the community can be a valuable asset on your journey with your 2005 Harley Davidson Softail.

The Electric Symphony: Navigating the Intricacies of the 2005 Harley Davidson Softail Wiring Diagram

Embarking on a journey through the underbelly of your 2005 Harley Davidson Softail unveils a mysterious landscape – a web of wires, connectors, and circuits orchestrating the electric symphony that powers your beloved two-wheeled companion. In this exploration, we unravel the complexities of the 2005 Harley Davidson Softail wiring diagram, a roadmap to the soul of your ride.

Deciphering the Colorful Code

Deciphering the Colorful Code

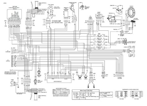
Our journey begins with a vivid array of colors, each wire telling a unique tale in the electric saga. The 2005 Harley Davidson Softail wiring diagram resembles an abstract painting, where hues of red, black, green, and yellow dance to the beat of a hidden rhythm. Deciphering this colorful code is the first step to understanding the language of your Softail's electrical system.

The Dance of Electrons

The Dance of Electrons

As we delve deeper into the diagram, we witness the mesmerizing dance of electrons orchestrating the energy flow. It's a choreography of connectivity, where each wire plays a vital role in ensuring the seamless transmission of power. Picture your Softail as a dance floor, and the wiring diagram as the musical score guiding the intricate movements of electrons.

The Heartbeat of Connections

The Heartbeat of Connections

At the core of this electric symphony lies the heartbeat of connections. Terminals, plugs, and connectors form a network that ensures the fluidity of energy, much like the veins and arteries in a living organism. Understanding these vital connections is akin to unraveling the pulse of your Softail, discovering the secret rhythm that keeps it alive on the road.

Striking a Balance: Voltage and Amperage

Striking a Balance: Voltage and Amperage

In the electric realm, balance is key. The wiring diagram intricately manages the delicate equilibrium between voltage and amperage, ensuring that your Softail receives the perfect dosage of power. It's a harmonious partnership, where too much or too little could disrupt the equilibrium and lead to electrical discord. Let's explore how this delicate balance is maintained within the intricate framework of your Softail's wiring.

Unlocking the Secrets of Components

Unlocking the Secrets of Components

Beyond the colorful tapestry and rhythmic dance, the wiring diagram introduces us to a cast of characters – the components that make up the electric ensemble. From ignition switches to lights and sensors, each component plays a unique role in the overall performance of your Softail. Join us as we unlock the secrets behind these components, revealing their individual contributions to the grand narrative of your ride.

DIY Adventures: Navigating the Maze

DIY Adventures: Navigating the Maze

For the daring enthusiasts seeking a hands-on approach, the 2005 Harley Davidson Softail wiring diagram becomes a treasure map for DIY adventures. Navigating through the maze of wires, armed with a toolbox and a sense of curiosity, opens up a world of possibilities. Join us on a DIY journey as we share tips, tricks, and cautionary tales for those who dare to tread the path of self-maintenance.

Electrifying Upgrades: Unleashing the Potential

Electrifying Upgrades: Unleashing the Potential

As we reach the crescendo of our exploration, we encounter the realm of electrifying upgrades. The 2005 Harley Davidson Softail wiring diagram isn't just a guide to the existing system; it's a blueprint for potential enhancements. Unleash the full potential of your ride by delving into the world of electrifying upgrades, from improved lighting systems to integrated gadgets that elevate your Softail to new heights.

The Road Ahead: Community Wisdom and Shared Experiences

The Road Ahead: Community Wisdom and Shared Experiences

As our electric journey comes to a close, we set our sights on the road ahead. Beyond the diagrams and wires, there exists a vast community of riders who share their wisdom and experiences. Join us in embracing the collective knowledge of fellow Softail enthusiasts, and let the road ahead be paved with shared insights, camaraderie, and a deep appreciation for the electric symphony that unites us all.

In conclusion, the 2005 Harley Davidson Softail wiring diagram is more than a technical guide; it's a portal to the heart and soul of your motorcycle. It's a narrative written in the language of electrons, a story of connections and balance. Whether you're a DIY enthusiast ready to embark on electrical adventures or a rider looking to understand the inner workings of your Softail, the wiring diagram is your guide to a world where electricity and creativity converge on the open road.

Another point of view about 2005 HARLEY DAVIDSON SOFTAIL WIRING DIAGRAM.

1. Unveiling the Electric Blueprint: The 2005 Harley Davidson Softail wiring diagram serves as a captivating blueprint, revealing the intricate web of wires and connections that power this iconic motorcycle.

2. Colorful Code Breakdown: Dive into the world of color-coded intricacies, where each wire tells a unique story. Deciphering this vibrant code is the first step in understanding the language of your Softail's electrical system.

3. Choreography of Electrons: Picture a mesmerizing dance of electrons, orchestrating the energy flow within your Softail. The wiring diagram guides this choreography, ensuring a seamless transmission of power on the road.

4. Heartbeat of Connections: At the core lies a network of terminals, plugs, and connectors—a heartbeat ensuring the fluidity of energy. Understanding these vital connections unveils the pulse of your Softail, keeping it alive and vibrant.

5. Balancing Act: Voltage and Amperage: Witness the delicate equilibrium between voltage and amperage, a crucial partnership to maintain electrical harmony. Learn how this balance is intricately preserved within the Softail's wiring framework.

6. Components Unveiled: The wiring diagram introduces a cast of characters, each component playing a vital role in the grand narrative of your Softail. Uncover the secrets behind ignition switches, lights, and sensors that make up this electric ensemble.

7. DIY Adventures: For the hands-on enthusiasts, the wiring diagram becomes a treasure map for DIY adventures. Navigate the maze of wires armed with tools and curiosity, and unlock a world of possibilities for self-maintenance.

8. Electrifying Upgrades: Beyond maintenance, the wiring diagram is a blueprint for electrifying upgrades. Discover how to unleash the full potential of your Softail, from improved lighting systems to integrated gadgets that elevate your riding experience.

9. Community Wisdom: As the journey unfolds, connect with a community of riders sharing insights and experiences. Embrace the collective knowledge of fellow Softail enthusiasts, creating a sense of camaraderie on the road.

10. The Electric Symphony Continues: In conclusion, the 2005 Harley Davidson Softail wiring diagram is not merely a technical guide but a portal to the heart and soul of your motorcycle. It narrates a story of connections, balance, and creativity—a symphony that resonates on the open road.

Conclusion : Rev Up Your Ride: 2005 Harley Davidson Softail Wiring Diagram Unleashed!.

As we reach the culmination of our exploration into the 2005 Harley Davidson Softail wiring diagram, it's evident that this blueprint is more than a technical guide; it's a gateway to understanding the intricate language of your motorcycle's electrical system. Armed with insights into the colorful code, the dance of electrons, and the heartbeat of connections, you now possess the knowledge to navigate the electric symphony that powers your beloved Softail. This isn't merely a journey through wires; it's a discovery of the very essence that propels your ride forward.

So, dear readers, as you embark on your own adventures with the 2005 Harley Davidson Softail wiring diagram, consider it not as a mere map but as a companion in your journey. Whether you're diving into DIY maintenance, contemplating electrifying upgrades, or connecting with a community of enthusiasts, remember that the road ahead is paved with endless possibilities. May your rides be smooth, your connections secure, and may the electric symphony of your Softail continue to play harmoniously as you explore the open road.

Question and answer Rev Up Your Ride: 2005 Harley Davidson Softail Wiring Diagram Unleashed!

Questions & Answer :

Q: Why is understanding the 2005 Harley Davidson Softail wiring diagram important?

  • A: Understanding the wiring diagram is crucial for troubleshooting electrical issues and performing maintenance. It's like having the backstage pass to your Softail's electric symphony – you get to know the ins and outs of how your ride comes to life.

Q: Can I decipher the wiring diagram if I'm not a tech-savvy person?

  • A: Absolutely! While it may look complex at first, with a bit of patience and our guide, even those without a technical background can grasp the basics. Think of it as decoding a colorful and electric language – we're here to help you become fluent!

Q: Are there common issues I can fix on my own using the wiring diagram?

  • A: Definitely! The wiring diagram empowers you to tackle common issues like faulty connections, frayed wires, or malfunctioning components. We'll guide you through DIY adventures, turning you into a Softail electric maestro.

Q: What if I want to upgrade my Softail's electrics?

  • A: Fantastic idea! The wiring diagram isn't just a guide for the existing system; it's a blueprint for potential enhancements. Dive into electrifying upgrades, from improved lighting systems to integrated gadgets, and elevate your Softail to a whole new level.

Q: Is there a community where I can seek advice and share experiences about Softail wiring?

  • A: Absolutely! Connect with a vibrant community of Softail enthusiasts who share their wisdom and experiences. It's like having a group of friends who speak the language of wires, ready to offer insights and camaraderie on your journey.

Q: How can I ensure safety when dealing with Softail wiring?

  • A: Safety first! We provide tips on handling tools, proper insulation techniques, and best practices to ensure a secure wiring environment. Think of it as a safety manual for your electric adventures – follow the guidelines, and you're good to go!

Q: Can I really perform maintenance without professional help using the wiring diagram?

  • A: Absolutely! The wiring diagram serves as your go-to tool for DIY maintenance. It's like having a trusted friend guiding you through the process, making it accessible and empowering even for those new to the world of Softail mechanics.

Keywords : 2005 HARLEY DAVIDSON SOFTAIL WIRING DIAGRAM

0 komentar